儀表系統二/三線用浪涌保護器
儀表系統用電涌保護器
儀表系統用電涌保護器
一、產品描述:

二、適用范圍:
1、I/O模擬量、開關量、脈沖量、數字量信號線路;
2、RTD/TC溫度測量信號回路;
3、總線通信信號回路。
三、產品尺寸圖:

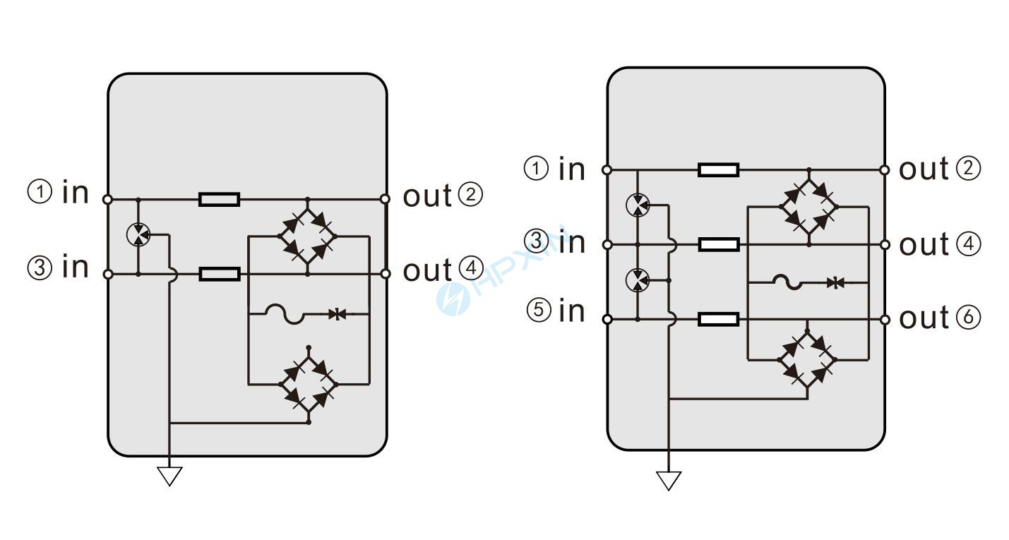
四、產品電氣原理圖:

五、產品安裝示意圖:

型號 | HPI-M06-2 | HPI-M06-3 | HPI-M24-2 | HPI-M24-3 |
SPD類別 | 組合型 | |||
額定工作電壓 Un | 6V DC | 24 DC | ||
最大持續運行電壓 Uc | 8V DC | 36 DC | ||
額定負載電流 IL | 600mA | |||
標稱放電電流 (線-地)In | 10 kA ( 8/20μs) | |||
最大放電電流 (線-地) Imax | 20 kA (8/20μs) | |||
沖擊放電電流 (線-地) Iimp | 3kA(10/350μs) | |||
電壓保護水平 Up(線-線) | ≤25V (1.2/50μs) | ≤60V (1.2/50μs) | ||
電壓保護水平 Up(線-地) | ≤250V (In) | ≤300V (In) | ||
保護線數 | 兩線 | 三線 | 兩線 | 三線 |
工作溫度 | -20~+60℃ | |||
安裝方式 | 35mm標準DIN導軌安裝,導軌接地 | |||
連接線徑 | 0.5~2.5mm2 | |||
外殼阻燃等級 | UL94 V-0 | |||
防護等級 | IP20 | |||
產品底座選配 | A:對地絕緣500V, B:接地型 | |||
本安參數 | Ui:8VDC;Ii:300mA;Li:0μH;Ci:0μF;Pi:0.6W | Ui:28VDC;Ii:40mA;Li:0μH;Ci:0μF;Pi:0.28W | ||
防爆等級 | ExiaⅡCT4 Gb | |||
安全認證 | SIL3 | |||

